工作時間 周一至周六 8:00-17:00
DD-1/60接地繼電器為瞬時動作的過電流繼電器,用作小電流接地電力系統高電壓三相交流發電機和電動機的接地零序過電流保護。
DD-1/60接地繼電器產品應用范圍
DD-1/60接地繼電器,為瞬時動作的過電流繼電器,用作小電流接地電力系統高電壓三相交流發電機和電動機的接地零序過電流保護。繼電器線圈接零序電流互感器(電纜式、母線式、或者有三個相電流互感器組成的零序電流濾過器)。當被保護電機的零點經阻抗接地時繼電器接入變流器的差動回路。當繼電器接入由三個電流互感器組成零序電流濾過器時,還應接入閉鎖繼電器,以防止由于外部穿越性短路不穩定電流可能引起的誤動作。
DD-1/60接地繼電器主要參數
繼電器動作電流的整定范圍和線圈阻抗值。
型號 | 整定范圍 | 線圈串聯 | 線圈并聯 | ||
(mA) | 動作電流(mA) | 阻抗(o) | 動作電流(mA) | 阻抗(o) | |
DD-1/40 | 10~40 | 10~20 | 100 | 20~40 | 25 |
DD-1/50 | 12.5~50 | 12.5-25 | 80 | 25~50 | 20 |
DD-1/60 | 15~60 | 15-30 | 60 | 30~60 | 15 |
各種規格繼電器,在線圈串聯或并聯時,其阻抗角為+35°。
·額定電流:100mA、頻率50Hz。
·整定刻度誤差:不大于±6%。
·動作值變差:不大于6%。
·返回系數:不小于0.5。
·功率消耗:在最小整定電流時不大于0.015VA。
·動作時間:在1.2信整定電流時,動作時間不大于0.3s; 3倍整定電流時,動作時間不大于0.1s。
·觸點容量:電壓不大于250V,電流不大于0.5A時,繼電器觸點斷開容量在直流有感負荷電路中間常數為5±0.75ms)為20W,在交流回路中為100VA。
·介質強度:繼電器電路與外殼金屬之間的絕緣應耐受交流50Hz,電壓2000V歷時1min的試驗而無擊穿或閃絡現象。
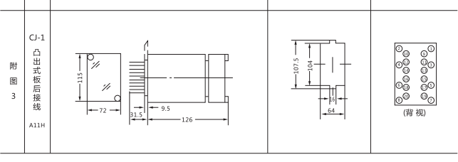
DD-1/60接地繼電器外引接線圖

DD-1/60接地繼電器外形及開孔尺寸


礦山冶金
化工、化肥、水泥、紡織
能源、環保
機械電子
火電、水電
造紙、制糖、制藥
市政基礎建設
原料、鋼鐵
上一篇:DD-1/50接地繼電器
下一篇:DD-11/50接地繼電器

